唐雪阳
安科瑞电气股份有限公司 上海嘉定 201801
ADL200M/ADL400M系列外置互感器双回路电能表,专为新能源发电系统设计,适用于光伏并网、微逆系统、储能系统、交流耦合等多种场景,以高精度、高可靠性、智能通讯等优势,为您提供更安全、更高效的电力计量解决方案。
01适用场景广泛
光伏并网系统:实时监测发电量与用电量,防逆流控制,提升系统安全性。微逆系统与储能系统:双向电能计量,支持电池充放电管理,优化能量调度。交流耦合系统:多回路独立计量,兼容三相与单相系统,灵活适配不同项目需求。工商业分布式光伏:适用于厂房屋顶、充电站、数据中心等场合的精细化能源管理。
02产品特点突出
(1)高精度测量
误差仅±0.5%,支持有功、无功、视在功率及电能的双向计量,符合Class B级标准。
(2)双回路设计
可同时监测两个回路的电参量,独立计量,一套设备实现多路数据采集。
(3)外置互感器,安装灵活
互感器与电表分离设计,支持φ16mm穿孔,最大电流可达120A,适用于不同线径场景。
(4)响应速度快
电压、电流、功率等参数响应时间低至50ms,实时性强。
(5)通讯便捷,支持远程管理
内置RS485接口,支持Modbus-RTU协议,可轻松接入EMS、逆变器或云平台。
(6)安全可靠
具备双重绝缘设计,符合CAT III安全标准,支持OVC III过电压等级,适用复杂电气环境。

03核心功能一览
电参量测量:U、I、P、Q、S、PF、F等全电力参数;电能计量:正向/反向有功电能、正向/反向无功电能、分相电能;双路独立数据:两路电流电压独立采集,互不干扰;智能告警与诊断:支持极性检测、相序识别与调整;宽温工作:-25℃ ~ +55℃(常规),-40℃ ~ +70℃(极限),适应恶劣环境;多种安装方式:导轨安装,结构紧凑,节省空间。
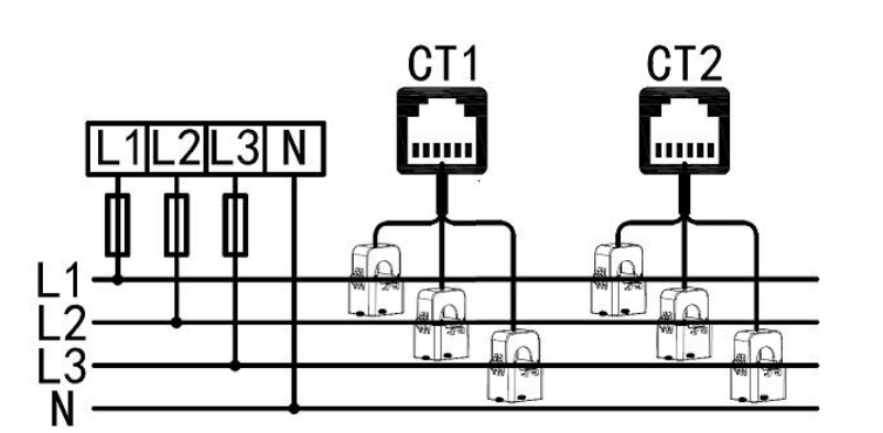
04典型应用图
ADL200M适用于单相系统,ADL400M适用于三相四线系统,接线简单明了,配合外置CT,大幅提升安装效率与系统兼容性。

05为何选择安科瑞
安科瑞作为电力监控与能源管理解决方案提供商,具备完整的产品研发、生产与服务体系。ADL200M/400M系列电能表延续了我司产品一贯的高精度、高稳定性、高兼容性特点,是新能源项目、智能电网、工业用电等领域的理想选择。
邮箱:2885080326@qq.com
地址:上海市嘉定区育绿路253号
扫一扫 微信咨询
©2026 安科瑞电气股份有限公司 版权所有 备案号:沪ICP备05031232号-79 技术支持:智慧城市网 Sitemap.xml 总访问量:438999 管理登陆
电瓶车充电桩禁止非法改装