唐雪阳
安科瑞电气股份有限公司 上海嘉定 201801
一、政策与市场的“双向推力",撬开能源变革的大门
当“双碳"目标把“节能减碳、碳交易"写进产业底层逻辑,当光伏建设成本逐年下探、储能设备价格大幅跳水,当新能源车的普及催生出密密麻麻的充电桩——能源领域的变革,早已不是单点技术的迭代,而是一场环环相扣的系统升级。
你看,政策端的“双碳"要求,让企业不得不重新审视用能的“碳足迹";市场端的成本下降,又给了企业布局新能源的底气;而用户的需求更直接:既要降低用能成本、增加能源收益,又要躲开“能耗双控"的限制,还要让变压器能灵活扩容。这些需求与变化,正推着整个行业往“清洁主导、电为中心"的新型电力系统走,而企业微电网,就是这场变革里体的落地载体。
二、企业微电网:把分散的能源,拧成“的闭环"
过去企业用能,是“从电网买电"的单向链路;如今在新型电力系统下,企业可以自己“产电、存电、用电、卖电"——这就是企业微电网的核心价值。
就像安科瑞构建的微电网架构:屋顶的分布式光伏能自发自用,20MW以下的并离网系统可灵活切换;工商业储能既能在低谷时存电、高峰时放电“赚差价",又能参与需量管理降低基本电费;光储系统还能消纳新能源、保障用电稳定;甚至充电桩都不只是“用电设备",而是能参与有序充电、反向调峰的“能源节点"。这些分散的设备,被安科瑞智慧能源管理平台串联成一个闭环:源、网、荷、储、充的每一个节点都装上“感知器",平台根据电网电价、负荷变化、调度指令实时调整策略,让企业的能源流既是“成本项",也是“收益项"。

三、从“被动用电"到“主动控能",微电网的“智慧底牌"
在传统模式里,企业是“被动的用电者":电网供电、企业付费,遇到停电只能等恢复,遇到高峰电价只能硬扛。但在新型电力系统的微电网里,企业成了“主动的能源管理者"。
安科瑞的微电网方案,正是用“智慧"打破了这种被动:平台能实时监测每一个设备的运行数据,通过EMS3.0系统实现“源网荷储充"的优化运行——比如光伏出力不足时,储能自动补能;电网电价高峰时,优先用储能的“低价电";甚至能根据虚拟电厂的调度指令,调整充电桩的充电节奏,既保障自身用电,又能获取调峰收益。这种“主动控能"的逻辑,不仅让企业躲开了用能的“坑",更把能源变成了能创造价值的资产,让企业在双碳与市场的共振里,既踩准了政策方向,又拿到了实实在在的收益。

四、分布式光伏:微电网的“能量源",靠这套系统把收益握在手里
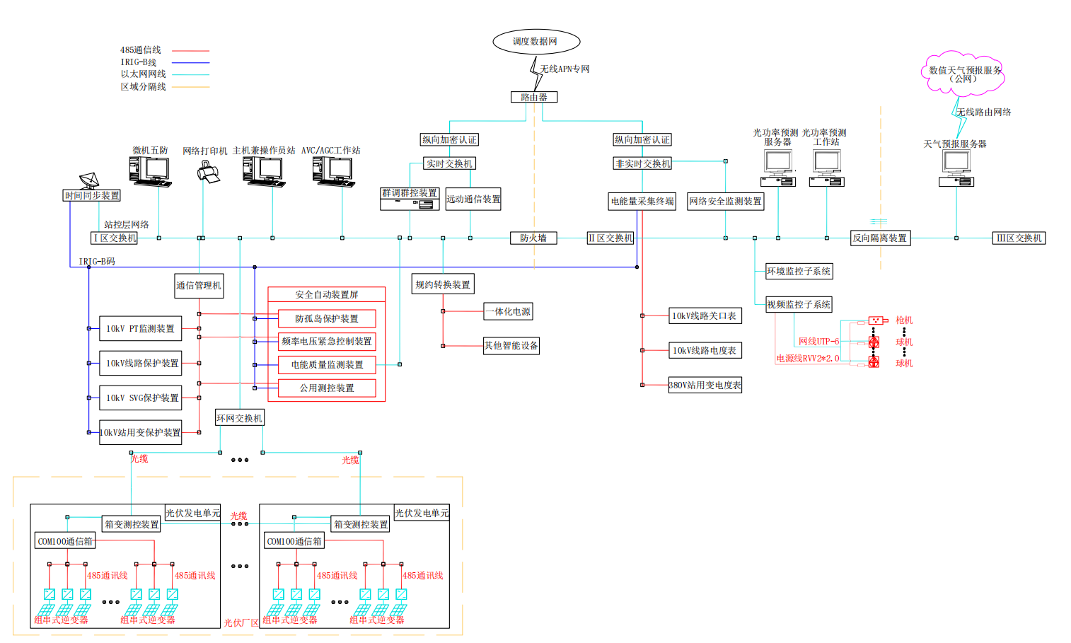
如果说企业微电网是“能源闭环"的骨架,那分布式光伏就是撑起这个闭环的核心“能量源"——而要让光伏真正从“发电设备"变成“稳定收益项",一套全链路的监控系统。
安科瑞的分布式光伏监控方案:从继电保护、逆变器监测到光功率预测,每一个环节都被精准管控——AGC/AVC系统保障并网合规,防逆流保护避免发电“浪费",环境与视频监控盯着设备安全,连天气数据都能接入用来预判发电效率。这套系统就像给光伏装上了“智慧大脑":既保证电站安全稳定运行,又能精准计算发电收益,甚至能通过调度自动化优化并网策略,让光伏在微电网里不只是“发电",更是能持续创造价值的“能源资产"。


光伏防逆流位置
如图1所示,虚框为用户电网,该用户电网通过公共连接点C与电网相连。在用户电网内部,有两个分布式光伏发电系统,分别通过A点和B点与用户电网相连,A点和B点均为并网点,但不是公共连接点。在D点有分布式光伏发电系统直接与公共电网相连,D点是并网点,也是公共连接点。因此分布式光伏的防逆流应当监视公共连接点(C或者D点)处的上网功率。

图1 公共连接点和光伏并网点示意图
国标要求
根据《GB/T 50865-2013 光伏发电接入配电网设计规范》和《GB/T 29319-2012 光伏发电系统接入配电网技术规定》等国家标准中均明确提出防逆流要求:当光伏发电系统设计为不可逆并网方式,应配置逆向功率保护设备。当检测到逆向电流超过额定输出的5%时,光伏发电系统应在2s内自动降低出力或停止向电网线路送电。
方案组成
主要产品清单如下:

(1)ACCU-100微电网协调控制器
通过监测市电总进线处防逆流信号,将市电取电信号上传至ACCU-100微电网协调控制器。该控制器会对逆流数据展开精确的逻辑计算,进而据此对逆变器的输出功率进行调整,最终实现无逆流运行。
ACCU-100 与智慧能源管理云平台紧密配合,构建高效系统架构。控制器精准调控分布式能源,并与云端平台实时交互,响应云端策略配置,实现跨站点、跨区域海量数据接入与分析,为各站点提供精准管控与控制方案,远程监控运维功能进一步提升管理效率。
(2)防逆流保护装置
为确保系统的可靠性,配置的防逆流保护装置,在控制器出现故障或通讯中断等异常情况下,能够迅速切断或者轮切并网柜断路器,保障电网安全。防逆流保护装置目前有2款,可以根据应用场景来选择。
1)并网点与逆流检测点距离较近(建议200m以内)
可选用AM5SE-IS防逆流保护装置,具有:逆功率跳闸、逆功率恢复合闸;低功率跳闸、低功率恢复合闸。
2)并网点与逆流检测点距离较远(超过200m)
可选用AM5SE-PV系列主从机防逆流保护装置。具有:主从机方案四段低功率/低功率恢复合闸;主从机方案逆功率/逆功率恢复合闸;主机防孤岛保护、从机防孤岛保护。
方案接线
(1)单进线单并网点防逆流保护装置接线示意图如图2所示。

图2 AM5SE-IS防逆流保护装置接线示意图
(2)单进线多并网点,且防逆流点与并网点距离超过200米的防逆流保护装置接线示意图如图3所示。
若一路市电进线下带多个并网点,主机选用AM5SE-PVM、从机选用AM5SE-PVS(*最多支持1主5从),如图3所示。

图3 AM5SE-PV主从机方案防逆流保护装置接线示意图(1)
(3)多进线单/多并网点,且防逆流点与并网点距离超过200米的防逆流保护装置接线示意图如图4所示。
当市电进线为多路电源进线带1或多个并网点,主机选用AM5SE-PVM、从机选用AM5SE-PVS2(1个主机*多支持5个从机、1个从机*多接受4个主机),如图4所示。

图4 AM5SE-PV主从机方案防逆流保护装置接线示意图(2)
方案组网
通过在市电进线处安装防逆流装置(针对多进线多并网点的,可以采用主从机防逆流装置),实时监测光伏上网情况,将监测信号上传给协调控制器。通过对逆流数据的逻辑计算对逆变器的输出功率进行调整,实现无逆流情况。

图5 协调控制器与保护装置组网接线示意图
数据采集
根据现场环境,对光伏防逆流所需设备进行数据采集。
1)市电连接点
主要功能:监测市电实时交互功率。
相关设备:关口表或防逆流保护装置。
2)光伏并网柜
主要功能:监测光伏设备的实时功率、通信状态、运行状态等。
相关设备:光伏并网电表、断路器状态。
设备关系:光伏节点下可能包含多个光伏单元。
3)光伏单元
主要功能:执行光伏功率调控命令。
相关设备:光伏逆变器、SmartLogger(华为数据采集器,可批量控制光伏逆变器)。
控制说明
(1)防逆流保护装置保护部分
根据现场实际情况对防逆流保护装置进行参数的分段式整定,当柔性调节失效或者响应不及时发生时,防逆流保护装置将进行跳闸保护,避免考核与罚款。在监测逆流消失后会重新合闸。
其中保护装置的整定参考如下:
1)《光伏发电接入配电网设计规范》GB/T 50865-2013,6.3.2 当光伏发电系统设计为不可逆并网方式时,应配置逆向功率保护设备。当检测到逆向电流超过额定输出的5%时,光伏发电系统应在2s内自动降低出力或停止向电网线路送电。
2)《建筑光伏系统应用技术标准[附条文说明]》GB/T 51368-2019 8.9.3 建筑光伏系统并网自动化系统应符合下列规定:建筑光伏系统设计为不可逆并网方式时,应配置逆向功率保护设备。逆功率保护应具有当检测到逆向电流超过额定输出的5%时,建筑光伏系统应在2s内自动降低出力或停止向电网线路送电。
(2)柔性调节部分
当进线侧出现逆功率时,在满足允许逆流存在的最长时间内,ACCU-100控制器通过监测防逆流装置的运行数据,逐步调整光伏逆变器的出力,然后根据防逆流装置反馈的逆流数据检测当前进线侧的逆流情况,来判断是否继续进行逆变器的出力调节,直至检测到逆流消失;在其他情况下,比如负荷突然消失,也可采用通过防逆流装置直接跳闸断开并网柜总开关的方式。负荷增大后,再重新合上并网柜开关或者调整逆变器的逆变功率,大程度上提高光伏发电的利用率。
应用场景



邮箱:2885080326@qq.com
地址:上海市嘉定区育绿路253号
扫一扫 微信咨询
©2026 安科瑞电气股份有限公司 版权所有 备案号:沪ICP备05031232号-79 技术支持:智慧城市网 Sitemap.xml 总访问量:444330 管理登陆
电瓶车充电桩禁止非法改装