唐雪阳
安科瑞电气股份有限公司 上海嘉定 201801
在“双碳"目标与电价市场化改革推动下,分布式光储已成为工商业降本、户用绿色用电的主流选择。但很多人在设计阶段就犯难:光储该独立并网还是共用并网点?余电能不能上网?如何避免电网考核?安科瑞结合多年项目落地经验,整理6类常见分布式光储系统设计方案,从拓扑、逻辑、适用场景到核心设备,帮你一次性选对、装对、用好。
一、工商业380V光储:独立并网・余电绝不上网
适合电网严格要求零逆流的场景,光伏与储能各设独立并网柜,搭配防孤岛保护、电能质量监测与ADL400计量仪表,ACCU协调控制器实时调控,光伏优先供负载、余电充储能,储能满电主动降功率,杜绝余电上网。

✅优势:100%合规,无逆功率考核风险
⚠️注意:需两套并网设备,初期投入略高
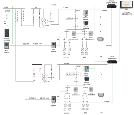
二、工商业380V光储:共用并网点・余电可上网
电网友好地区方案,光伏与储能共用一个并网柜,接线更简洁、成本更低。系统优先自发自用,余电可合规上网,ACCU控制器智能调控充放电,确保全年自消纳比例达标,禁止储能放电上网,兼顾收益与合规。

✅优势:施工简单、投入更少
⚠️注意:需适配当地并网政策,控制逻辑更精细
三、工商业380V光储:多点分散并网・园区全覆盖
针对大面积园区、并网点分散的场景,采用主从式防逆流方案,主机装在进线柜、从机布在各并网端,光纤通讯快速联动,就地消纳、分级调控,即便光伏分布广、距离远,也能实现全域零逆流。

✅优势:就地消纳、适配大园区场景
⚠️注意:需搭建光纤控制网络
四、10kV高压光储:大容量・集中式并网
适合光伏容量大、负荷稳定的大型园区与厂区,光伏与储能分别升压至10kV独立并网,数据直传电网调度,搭配AM5SE系列保护、APView500电能质量监测,满足高压并网全规范,实现大容量清洁能源安全消纳。

✅优势:大容量接入、合规性拉满
⚠️注意:设备与调试成本较高,需对接调度系统
五、户用光储一体机:小户型・极简安装
城市家庭、小型建筑专属方案,光伏+储能接入一体机,进线端装ADL200M/400M防逆流电表,50ms快速刷新功率,WiFi/LoRa联动逆变器,自发自用、余电不上网,安装简单、投资小,高层住户也能轻松用光伏。

✅优势:即装即用、成本低、免复杂施工
六、光储柴一体柜:弱电网・并离网无缝切换
针对电网不稳定、偏远区域,集成光伏、储能、柴油发电机,市电正常时并网消纳、储能备电;电网断电自动切离网,PCS带载运行,储能低电启动柴发,供电优先级:光伏>电网>储能>柴发,供电不间断、安全有兜底。

✅优势:集成度高、并离网自由切换
核心设备加持,光储运行更稳更安全
光储系统不只看光伏板与电池,二次保护与计量才是合规关键:
ACCU1000L协调控制器:统管数据采集、策略调控
AM5SE防孤岛/防逆流保护:电网异常快速切断,杜绝反送电
APView系列电能质量监测:全维度监测谐波、不平衡等指标
ADL系列防逆流电表:50ms高速响应,户用/工商全覆盖

AcrelEMS3.0智慧能源管理平台采用B/S架构,满足分布式光伏、储能系统以及电动汽车充换电设施等接入和协调控制需求。平台采用“1+N"设计,可以接入数量众多的分布式场站数据,将分布式光伏、储能系统、可控负荷等聚合在一起,结合发电预测、负荷预测、电价波动、电网调度指令等情况,灵活调整微电网控制策略并下发给储能、可调负荷等系统,采用“云-边-端"协同策略控制,保障微电网合规并网、高效运行。

结语
分布式光储没有“万能方案",只有贴合场景、符合电网要求,才能真正实现降本、安全、长效。从户用极简安装到工商业高压并网,从余电不上网到合规上网,安科瑞以全系列硬件+平台软件,提供一站式光储一体化解决方案,帮你避开设计坑、守住合规线、算清收益账。
邮箱:2885080326@qq.com
地址:上海市嘉定区育绿路253号
扫一扫 微信咨询
©2026 安科瑞电气股份有限公司 版权所有 备案号:沪ICP备05031232号-79 技术支持:智慧城市网 Sitemap.xml 总访问量:390646 管理登陆
电瓶车充电桩禁止非法改装