唐雪阳
安科瑞电气股份有限公司 上海嘉定 201801
工商业光伏储能并网——发电系统现状
随着新能源的发展,很多工商业用户会选择在原有的公共电网配电系统的基础上新上分布式光伏发电、风力发电、储能等发电系统。但由于发电量的波动与用户侧用电负荷的不断变化,为防止用户侧并网发电系统逆向发电,向公共电网倒送电,因此需科学合理地使用用户侧并网发电系统,同时对用户侧并网发电系统进行安全控制,从而达到防逆流功能。

工商业光伏储能并网——设计标准及依据

工商业光伏储能并网——防逆流解决方案
采用不允许向电网倒送电方式的用户侧并网发电系统时,需在公共连接点配置防逆流保护装置,同时可配置系统软件可采集并网点功率,并与发电设备通信调节实时发电量,通过防逆流软件柔性调节、防逆流保护刚性跳闸相结合的方案,在产生逆向功率倒送公共电网时快速断开并网柜,防止用户侧并网发电系统持续发电倒送公共电网。

AM5SE-IS防逆流保护装置——单机版防逆流保护
AM5SE-IS防逆流保护装置主要适用于35kV、10kV及低压400V光伏发电、风力发电、储能充放电等新能源并网供电系统。当向公共电网有逆向供电现象时,可以快速切除并网点,使本站不持续向电网逆向供电,保证电站的使用满足电网要求。单机版方案适用于逆流监测点与跳闸点之间距离在100米以内的场景。

AM5SE-PV系列防逆流保护装置
——主从机光纤直跳方案
当逆流监测点与用户侧并网发电系统并网单元的并网柜之间线缆敷设距离在100m至1.5km之间主机从机之间可采用多模光纤为62.5/125um,波长850nm,ST接口连接。
当逆流监测点与用户侧并网发电系统并网单元的并网柜之间线缆敷设距离在1.5km至20km之间,主机从机之间可采用单模光纤波长1310nm,ST接口连接。


——GOOSE通信方案
当逆流监测点与用户侧并网发电系统并网单元的并网柜之间线缆敷设距离在100m至20km之间可采用AM5SE-PV系列主从机方案,主机从机之间可采用单模光纤波长1310nm,FC接口连接。


防逆流软件功能——系统柔性调节方案
防逆流软件可实时监测防逆流监测点功率变化,当前光伏发电总功率、储能实时放电功率与储能实时充电功率以及每个并网单元并网点的实时功率。
防逆流软件可设置逆功率跳闸的功率阈值与跳闸动作时间、低功率调节的功率阈值与调节时间、以及功率恢复正常后判断合闸的功率值与恢复合闸动作时间。

低功率柔性调节
防逆流软件设置低功率调节的功率阈值(该功率为用户侧使用公共电网的下网功率),当公共电网的下网功率较低,可能会由于负荷波动导致逆向功率产生时,防逆流软件柔性调节,给用户侧并网发电系统的并网单元发送降低发电功率指令,防止逆向功率产生。
逆功率跳闸
防逆流软件设置逆功率跳闸的功率阈值(该功率为用户侧并网发电系统向公共电网反向供电的上网功率),当用户侧并网发电系统向公共电网反向供电的上网功率触发逆功率跳闸功率阈值,防逆流软件给用户侧并网发电系统的并网单元发送跳闸指令,切断用户侧并网发电系统的并网单元,防止持续向公共电网逆向供电。
功率恢复合闸
当用户侧并网发电系统的并网单元因逆功率跳闸后,用户侧使用公共电网的下网功率恢复正常阈值,且在功率恢复合闸时间内并网单元仍未恢复合闸,防逆流软件给跳闸的用户侧并网发电系统的并网单元发送合闸指令,恢复用户侧并网发电系统的并网单元的发电,提高用户侧并网发电系统的利用率,减少公共电网的使用。
典型案例
中国某移动中心911.55kWp分布式光伏项目
采用柔性软件调节+刚性单机版防逆流保护方案

防逆流策略:本项目分为5个并网点,5个防逆流监测点,本质为5个独立防逆流保护方案,防逆流监测点配置AM5SE-IS采集当前母线低压总进线上互感器电流,结合母线电压,计算低压总进线处实时功率,(向下指向母线为正功率,向上指向变压器为逆功率),当出现逆功率时,由逆功率保护装置跳开对应并网点断路器,当功率回复后恢复对应并网点断路器合闸。

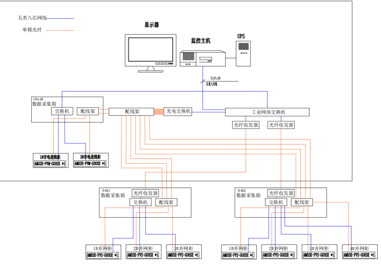
江苏某盐场35kV分布式光伏项目
柔性软件调节+主从机GOOSE通讯防逆流保护方案

防逆流策略:10kV进线测逆流监测点处配置2台AM5SE-PVM-GOOSE去采集逆流监测点电流、电压,计算实时功率,大浦线和神特线每个并网点配置1台防逆流从机AM5SE-PVS-GOOSE的从机,主从机之间通过光纤组网GOOSE通信,主机在监测到低功率,触发低功率定值时通过GOOSEOUT发出动作信号,对应配置GOOSEIN的从机接收主机的命令后跳开对应并网点断路器,主机在监测到功率恢复时,也通过GOOSEOUT发出动作信号,对应配置GOOSEIN的从机接收主机的命令后恢复并网点断路器合闸,同时监控系统软件采集防逆流主机功率数据,监测点功率触发防逆流装置跳闸前通过防逆流软件降低逆变器的发电功率,在防逆流保护装置的跳闸的前实现柔性调节。

邮箱:2885080326@qq.com
地址:上海市嘉定区育绿路253号
扫一扫 微信咨询
©2026 安科瑞电气股份有限公司 版权所有 备案号:沪ICP备05031232号-79 技术支持:智慧城市网 Sitemap.xml 总访问量:437227 管理登陆
电瓶车充电桩禁止非法改装